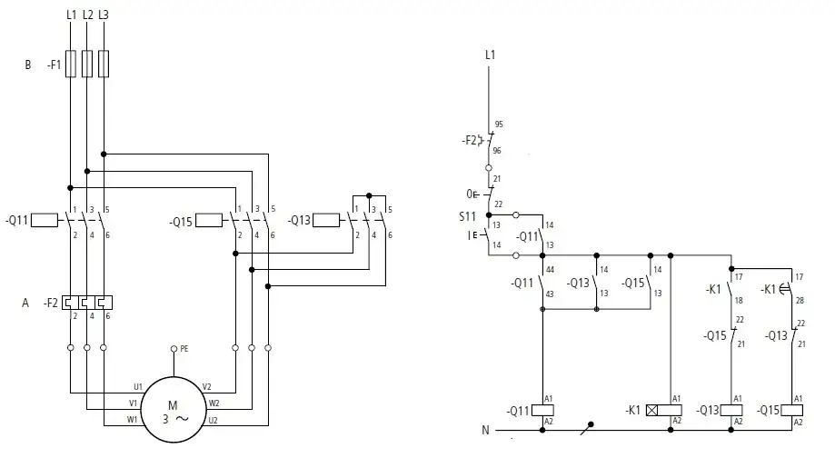
Podłączenie silnika trójfazowego przy użyciu metody gwiazda-trójkąt to sprawdzony sposób na zminimalizowanie problemów związanych z uruchomieniem. Ta technika jest szczególnie przydatna, gdyż pozwala na znaczące zmniejszenie prądu rozruchowego, co jest kluczowe dla ochrony silników o większej mocy. W pierwszym etapie, silnik jest podłączany w konfiguracji gwiazda, co obniża napięcie na uzwojeniach do około 57,7% napięcia linii. Po osiągnięciu odpowiedniej prędkości, połączenie jest automatycznie zmieniane na konfigurację trójkąt, co pozwala silnikowi na uzyskanie pełnego momentu obrotowego.
Aby skutecznie wykorzystać tę metodę, ważne jest, aby silnik był odpowiednio zaprojektowany do pracy w konfiguracji trójkąt. Oznaczenia na tabliczce znamionowej, takie jak 400V/690V (Δ/Y), potwierdzają, że silnik jest przystosowany do takiego podłączenia. W artykule przedstawimy szczegółowe instrukcje dotyczące podłączenia, a także omówimy zalety i ograniczenia metody gwiazda-trójkąt.
Kluczowe wnioski:- Podłączenie silnika w konfiguracji gwiazda-trójkąt zmniejsza prąd rozruchowy do około jednej trzeciej wartości przy bezpośrednim podłączeniu.
- Metoda składa się z dwóch etapów: najpierw połączenie gwiazda, a następnie trójkąt, co pozwala na uzyskanie pełnej mocy po uruchomieniu.
- Silnik musi być przystosowany do pracy w obu konfiguracjach, co potwierdzają odpowiednie oznaczenia na tabliczce znamionowej.
- Bezpieczeństwo instalacji jest kluczowe; należy przestrzegać odpowiednich środków ostrożności, aby uniknąć typowych błędów.
- W artykule znajdziesz także szczegółowe instrukcje dotyczące podłączenia oraz analizy zalet i ograniczeń tej metody.
Jak prawidłowo podłączyć silnik w konfiguracji gwiazda trójkąt, aby zminimalizować ryzyko błędów
Aby prawidłowo podłączyć silnik w konfiguracji gwiazda trójkąt, potrzebne będą odpowiednie narzędzia i materiały. Wśród niezbędnych elementów znajdują się: przewody elektryczne, kontakty oraz terminal box, w którym będą umieszczone końcówki uzwojeń silnika. Ważne jest, aby wszystkie sześć końców uzwojeń silnika były podłączone do tego terminala, co umożliwi zarówno połączenie gwiazda, jak i trójkąt. Dodatkowo, warto zaopatrzyć się w multimetr do pomiaru napięcia oraz narzędzia do montażu, takie jak wkrętaki i szczypce.
Podłączenie silnika w konfiguracji gwiazda wymaga wykonania kilku kroków. Po pierwsze, upewnij się, że silnik jest wyłączony i odłączony od zasilania. Następnie, podłącz końcówki uzwojeń do terminala zgodnie z schematem, który przedstawia połączenie gwiazda. Należy pamiętać, że w tej konfiguracji napięcie na każdym uzwojeniu zmniejsza się do około 57,7% napięcia linii, co znacząco obniża prąd rozruchowy. Po zakończeniu podłączenia, sprawdź wszystkie połączenia, aby upewnić się, że są solidne i poprawne.
Krok po kroku: Podłączenie silnika w konfiguracji gwiazda
Rozpocznij od przygotowania miejsca pracy i zgromadzenia wszystkich niezbędnych narzędzi. Upewnij się, że masz dostęp do schematu podłączenia, który pokazuje, jak powinny być rozmieszczone przewody w konfiguracji gwiazda. Następnie, zidentyfikuj końcówki uzwojeń silnika i przyporządkuj je do odpowiednich terminali w terminal boxie. Pamiętaj, aby zachować kolejność podłączeń zgodnie z instrukcjami producenta.
Gdy już podłączysz przewody, przystąp do testowania. Włącz zasilanie i sprawdź, czy silnik uruchamia się płynnie. Jeśli zauważysz jakiekolwiek nieprawidłowości, wyłącz zasilanie i ponownie sprawdź wszystkie połączenia. Ważne jest, aby nie ignorować żadnych problemów, gdyż mogą one prowadzić do uszkodzenia silnika.
Bezpieczeństwo jest kluczowe podczas instalacji silnika. Upewnij się, że wszystkie narzędzia są w dobrym stanie, a miejsce pracy jest odpowiednio oświetlone. Zawsze używaj rękawic ochronnych i okularów ochronnych podczas pracy z elektrycznością. Pamiętaj, aby nigdy nie pracować z podłączonym zasilaniem, aby uniknąć ryzyka porażenia prądem.| Element | Opis |
| Przewody elektryczne | Do połączenia uzwojeń silnika z terminalem |
| Kontakty | Do zabezpieczenia połączeń elektrycznych |
| Terminal box | Do umieszczenia końcówek uzwojeń |
Krok po kroku: Podłączenie silnika w konfiguracji trójkąt
Aby podłączyć silnik w konfiguracji trójkąt, potrzebne będą odpowiednie narzędzia oraz materiały. Wśród nich znajdują się: przewody elektryczne, kontakty, a także terminal box do podłączenia końcówek uzwojeń. Upewnij się, że masz także dostęp do schematu podłączenia, który pomoże w prawidłowym rozmieszczeniu przewodów. Przed przystąpieniem do pracy, sprawdź, czy silnik jest odłączony od zasilania, aby zapewnić sobie bezpieczeństwo.
Czytaj więcej: Kia Ceed jaki silnik wybrać, aby uniknąć kosztownych błędów?
Podłączenie silnika w konfiguracji trójkąt rozpoczyna się od przygotowania końcówek uzwojeń. Każda z trzech końcówek uzwojeń musi być podłączona do wspólnego punktu w terminal boxie. W tej konfiguracji, napięcie na każdym uzwojeniu wynosi pełne napięcie linii, co umożliwia silnikowi osiągnięcie pełnego momentu obrotowego. W zależności od modelu silnika, podłącz przewody zgodnie z instrukcją producenta. Po zakończeniu podłączenia, upewnij się, że wszystkie połączenia są mocne i stabilne, a następnie włącz zasilanie, aby sprawdzić, czy silnik działa poprawnie.
Podczas podłączania silnika w konfiguracji trójkąt, mogą wystąpić różne problemy. Jeśli silnik nie uruchamia się, sprawdź, czy wszystkie przewody są prawidłowo podłączone oraz czy nie ma zwarć. Innym częstym problemem może być niewłaściwe napięcie zasilania; upewnij się, że zasilanie odpowiada wymaganiom silnika, które powinny być podane na tabliczce znamionowej. Jeśli silnik działa, ale nie osiąga pełnej mocy, może to wskazywać na błędne podłączenie lub uszkodzenie uzwojeń. W takich przypadkach warto skonsultować się z elektrykiem lub specjalistą w dziedzinie automatyki.
| Element | Opis |
| Przewody elektryczne | Do połączenia uzwojeń silnika w konfiguracji trójkąt |
| Kontakty | Do zabezpieczenia połączeń elektrycznych |
| Terminal box | Do umieszczenia końcówek uzwojeń |
Zrozumienie działania metody gwiazda-trójkąt dla lepszego użytkowania
Metoda gwiazda-trójkąt to popularna technika stosowana w systemach zasilania silników trójfazowych, która pozwala na zredukowanie prądu rozruchowego. Działa na zasadzie początkowego połączenia uzwojeń silnika w konfiguracji gwiazda, co obniża napięcie na każdym uzwojeniu do około 57,7% napięcia linii. Po osiągnięciu przez silnik odpowiedniej prędkości, następuje automatyczne przełączenie na konfigurację trójkąt, co umożliwia silnikowi uzyskanie pełnego momentu obrotowego. Taki mechanizm pozwala na znaczne zmniejszenie obciążenia elektrycznego w momencie uruchomienia silnika.
Korzyści płynące z zastosowania metody gwiazda-trójkąt są znaczące. Przede wszystkim, redukcja prądu rozruchowego chroni zarówno silnik, jak i instalację elektryczną przed przeciążeniem. Dodatkowo, metoda ta pozwala na zmniejszenie kosztów energii, ponieważ silnik nie jest obciążany w pełni w momencie uruchomienia. Umożliwia to również dłuższą żywotność silnika, ponieważ unika się nadmiernych obciążeń. Jednakże, ta metoda ma również swoje ograniczenia, które warto mieć na uwadze.
- Redukcja prądu rozruchowego, co zmniejsza ryzyko przeciążenia.
- Oszczędność energii dzięki niższemu zużyciu prądu w momencie uruchomienia.
- Wydłużona żywotność silnika z powodu mniejszego obciążenia.
- Ograniczona moc rozruchowa w konfiguracji gwiazda.
- Potrzeba zastosowania dodatkowych elementów, takich jak przekaźniki czasowe.
- Nieodpowiednia dla silników, które nie są przystosowane do pracy w konfiguracji trójkąt.
Jakie są ograniczenia metody gwiazda-trójkąt w praktyce
Metoda gwiazda-trójkąt ma swoje ograniczenia, które warto rozważyć przed jej zastosowaniem. Pierwszą z nich jest fakt, że wymaga ona, aby silnik był zaprojektowany do pracy w obydwu konfiguracjach – gwiazda i trójkąt. Nie wszystkie silniki są przystosowane do tego typu połączeń, co może prowadzić do nieefektywności lub uszkodzenia silnika. Ponadto, metoda ta może nie być odpowiednia dla silników o niskiej mocy, gdzie prąd rozruchowy nie stanowi poważnego problemu. W takich przypadkach, zastosowanie metody gwiazda-trójkąt może być zbędne i nieopłacalne.
Innym ograniczeniem jest czas przełączania między konfiguracjami. W momencie, gdy silnik osiąga odpowiednią prędkość, musi nastąpić szybkie przełączenie na połączenie trójkąt. Jeśli system przełączania nie działa prawidłowo, może to prowadzić do nieprawidłowego działania silnika lub jego uszkodzenia. Dodatkowo, metoda ta wymaga zastosowania dodatkowych elementów, takich jak przekaźniki czasowe, co zwiększa złożoność całego układu. W sytuacjach, gdzie wymagane jest natychmiastowe osiągnięcie pełnej mocy, lepszym rozwiązaniem mogą być inne metody startowe.

Bezpieczeństwo podczas podłączania silnika w konfiguracji gwiazda trójkąt
Podczas instalacji silnika w konfiguracji gwiazda trójkąt, kluczowe jest przestrzeganie odpowiednich środków bezpieczeństwa. Po pierwsze, zawsze należy stosować odpowiednie wyposażenie ochronne, takie jak rękawice i okulary ochronne, aby zminimalizować ryzyko obrażeń. Ponadto, przed przystąpieniem do pracy, upewnij się, że silnik jest odłączony od zasilania, aby uniknąć przypadkowego porażenia prądem. Dobrą praktyką jest również informowanie innych osób w pobliżu o wykonywanych pracach, aby wszyscy byli świadomi potencjalnych zagrożeń.Innym ważnym aspektem bezpieczeństwa jest odpowiednie zabezpieczenie miejsca pracy. Upewnij się, że obszar jest dobrze oświetlony i wolny od niepotrzebnych przedmiotów, które mogą stanowić przeszkodę lub zagrożenie. Zawsze sprawdzaj narzędzia przed użyciem, aby upewnić się, że są w dobrym stanie i gotowe do pracy. W przypadku jakichkolwiek wątpliwości co do procedur bezpieczeństwa, warto skonsultować się z doświadczonym specjalistą lub elektrykiem.
Kluczowe środki ostrożności przy instalacji silnika
Podczas instalacji silnika, ważne jest, aby stosować odpowiednie środki ochrony osobistej. Należy nosić rękawice, które chronią przed porażeniem prądem oraz okulary ochronne, aby uniknąć uszkodzenia wzroku. Używanie obuwia roboczego z izolacją elektryczną również jest zalecane. Dodatkowo, warto mieć przy sobie zestaw pierwszej pomocy na wypadek nagłych sytuacji, co zwiększa bezpieczeństwo w miejscu pracy.
Proceduralne środki bezpieczeństwa są równie ważne. Przed rozpoczęciem pracy, upewnij się, że masz wszystkie niezbędne narzędzia i materiały w zasięgu ręki. Pracuj w dobrze wentylowanym miejscu, aby uniknąć gromadzenia się szkodliwych oparów. Zawsze wykonuj prace zgodnie z instrukcjami producenta i nie podejmuj ryzykownych działań, które mogą prowadzić do wypadków. Przestrzeganie tych zasad pomoże zapewnić bezpieczne środowisko pracy.
Jak unikać typowych błędów podczas podłączania silnika
Podczas podłączania silnika w konfiguracji gwiazda trójkąt, istnieje wiele typowych błędów, które mogą prowadzić do problemów. Jednym z najczęstszych jest niewłaściwe podłączenie przewodów, co może skutkować nieprawidłowym działaniem silnika. Innym błędem jest pomijanie kontroli napięcia przed uruchomieniem silnika, co może prowadzić do uszkodzenia sprzętu. Ważne jest, aby zawsze sprawdzać, czy wszystkie połączenia są dokładne i zgodne z instrukcją.
Aby uniknąć tych pułapek, warto stworzyć listę kontrolną przed rozpoczęciem pracy. Zawierać ona powinna wszystkie kluczowe kroki, które należy wykonać, aby upewnić się, że wszystko jest na swoim miejscu. Dodatkowo, przeszkolenie w zakresie instalacji silników oraz regularne przeglądy mogą pomóc w zminimalizowaniu ryzyka wystąpienia błędów. Pamiętaj, że dokładność i staranność są kluczowe w każdej instalacji elektrycznej.
| Błąd | Rozwiązanie |
| Niewłaściwe podłączenie przewodów | Dokładne sprawdzenie schematu przed podłączeniem |
| Pominięcie kontroli napięcia | Regularne testowanie napięcia przed uruchomieniem |
| Brak przeszkolenia | Uczestnictwo w szkoleniach dotyczących instalacji silników |
Przyszłość technologii startowej gwiazda-trójkąt w elektryce
W miarę jak technologia elektryczna się rozwija, metoda gwiazda-trójkąt zyskuje nowe zastosowania, które mogą zwiększyć jej efektywność i bezpieczeństwo. Wprowadzenie inteligentnych systemów sterowania, takich jak automatyka przemysłowa i IoT (Internet Rzeczy), może zrewolucjonizować sposób, w jaki zarządzamy silnikami trójfazowymi. Dzięki zastosowaniu czujników monitorujących parametry pracy silnika, takich jak prąd, napięcie i temperatura, możliwe jest dynamiczne dostosowywanie przełączania między konfiguracjami gwiazda i trójkąt, co może poprawić wydajność oraz wydłużyć żywotność urządzeń.
Co więcej, integracja z systemami zarządzania energią pozwala na optymalizację zużycia energii w zakładach przemysłowych. Implementacja algorytmów uczenia maszynowego może przewidywać, kiedy silnik wymaga przełączenia, co nie tylko zwiększa efektywność, ale także minimalizuje ryzyko awarii. W przyszłości, zastosowanie technologii smart w metodzie gwiazda-trójkąt może stać się standardem, przynosząc korzyści zarówno dla przedsiębiorstw, jak i dla środowiska. Warto zainwestować w nowoczesne rozwiązania, które nie tylko zwiększą wydajność, ale także przyczynią się do zrównoważonego rozwoju.